

الميزان 4th G ذو الثلاث طبقات 16 رأسًا مناسبًا لوزن مختلف المواد الحبيبية ، غير المستقرة ، الدائرية وغير المنتظمة ، الأجهزة ، إلخ.

1. خلية تحميل خاصة بدقة عالية ومعايير عالية.
2. لوحة كهربائية للوحدة النمطية ، مع الوضع المستقر لأخذ العينات المتعددة الذكي ، تجعل الوزن أعلى دقة.
3. إنذار خطأ ذكي ، مريحة للصيانة.
4. وظيفة تفريغ متداخلة عالية السرعة ، تمنع بشكل فعال المواد المسدودة.
5. تصميم نموذجي جديد ومتكامل للغاية ، باستخدام تكنولوجيا ناقل CAN.
6. بروتوكول الاتصال القياسي الصناعي Modbus يحقق واجهة آلة التعبئة والوزن متعدد الرؤوس.
1. يمكن استخدام وعاء الاهتزاز الرئيسي لنوعين من المواد المختلطة.
2. مع هزاز رئيسي مستقل ، يتحكم على التوالي في سمك المواد المختلفة.
3. دلو الذاكرة الجديد لتخزين مواد الوزن ، زيادة الاحتمال المشترك وتحسين الدقة بشكل فعال.
4. حالة الآلة و المقعد الأوسط لحام متكامل يعزز بشكل كبير
قوة الآلة ، يجعل وقت النطاط أقصر مستقر.
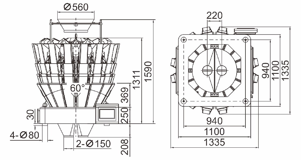
| نموذج | JW-A16 |
| تعريف الكود | A16-4-2 |
| نطاق الوزن | 10-1000 جرام |
| صحة | اكس (0.5) |
| السرعة القصوى | 120x2P / م |
| حجم القادوس | 1.6 لتر |
| لوحة التحكم | شاشة تعمل باللمس مقاس 10.1 بوصة |
| خيارات | لوحة الدمل / قادوس التوقيت / الطابعة / جهاز الرفض |
| نظام القيادة | محرك خطوة |
| متطلبات الطاقة | 220 فولت / 2300 واط / 50/60 هرتز / 11 أمبير |
| أبعاد التعبئة (مم) | 1860 (طول) × 1200 (عرض) × 1540 (ارتفاع) |
| الوزن الإجمالي | 650 كجم |



